![]() |
|
SIKO IV5800 SIKO IV5800 series with ABO signal interface, 1000 ppr, cable with open end, axial connection, 01.0 cable / socket definition, servo flange, with LineDriver, with 6mm diameter shaft, IP65 protection class
![]() Order Code Builder : SIKO GMBH offers user selectable variants and/or options. Dynamically build order-codes and initiate a Quotation Request.
![]() Description: Incremental encoder IV5800
Accessories (priced separately)
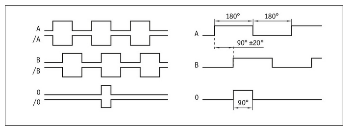
Signal format
Technical Drawings
| ||||||||||||||||||||||||||||||

| home :: catalogue search :: catalogue structure :: newsletter :: login :: contact us :: help |
| site designed by ThinkingMules |
| © 2002- 2026 Mandeno Electronics(2015)Ltd. All rights reserved. NZ Letters Patent 525182 |